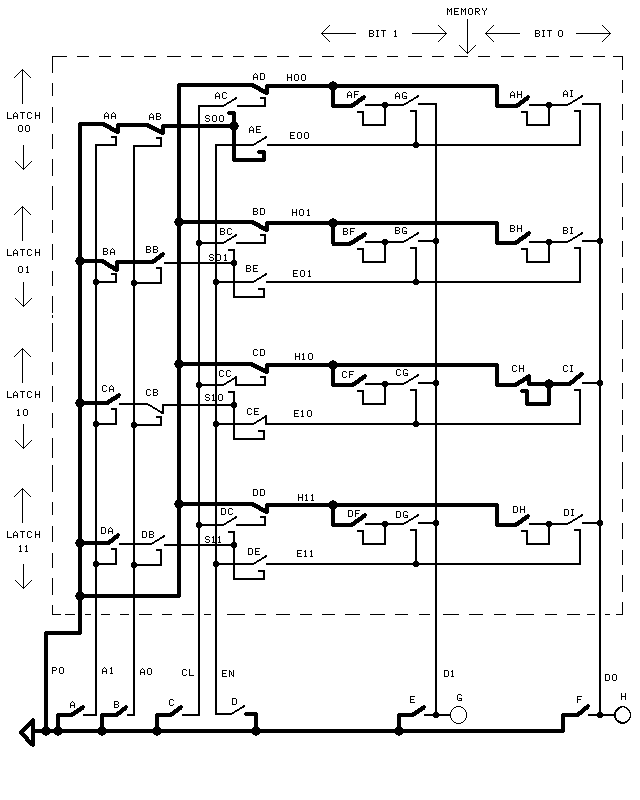
The second step in writing value 01 to address (latch) 10 is to press key F and not press key E as in the following diagram. Not pressing key E gives value 0 to data wire D1 and pressing key F gives value 1 to data wire D0. Both data wires, D1 and D0, are, together, called the 'data bus' just as both address wires, A1 and A0, are, together, called the 'address bus.' The first and second steps can be done simultaneously. This results in power going through the circuit as indicated by the bold wires in the diagram below. Wire D0 is bold and, so, has value 1.

Selecting the Data to be Written

Selecting the Data to be Written

The third step in writing 01 to address 10 is pressing the enable key, 'D,' which controls the enable ('EN') wire. This results in power going through the circuit as indicated in bold in the following diagram. Notice that loop CH now has value 1. Loop CH got power from wire D0 through CI. No power went from wire D1 through CG to loop CF because wire D1 is not powered.

It's important to remember that pressing the enable key, 'D,' makes EN=1 and connects the loops of the selected (by the address wires A1 and A0) latch to the data bus wires, D1 and D0.

Pressing Enable (EN)

Pressing Enable (EN)

In the fourth step, key D is released and the enable (EN) wire returns to value 0 (unpowered). This results in power flowing through the memory as indicated by bold wires in the following diagram. Notice that loop CH still has value 1 even though loop CH is no longer connected to data wire D0 through relay CI (because relay CI is open).

Releasing Enable (EN)

Releasing Enable (EN)

Step five: Keys A and F are released and address wire A1 and data wire D0 get value 0 (as indicated in the following diagram). (There is a mistake in the following diagram: relays AC and AE should be closed and relays CC and CE should be open.) Notice that loop CH still has value 1.

Therefore, to write value 01 to latch 10, you press A and not B to select latch 10; and, to choose data 01, do not push E and push F. This makes wire A1 have value 1, wire A0 have value 0, wire D1 have value 0, and wire D0 have value 1. Then, while holding A and F down, temporarily press D to make the enable wire, EN, temporarily 1. Then, release A and F. This can be described as follows.

1. Select the address and data with the address and data keys A, B, E, and F (A1, A0, D1 and D0).
2. Temporarily press D (EN).
3. Release the address and data keys.

That's all there is to storing data in an empty latch.

Releasing the Address and Data Keys

Releasing the Address and Data Keys


Page 10

Page 9 . . . Page 1 . . . Page 11